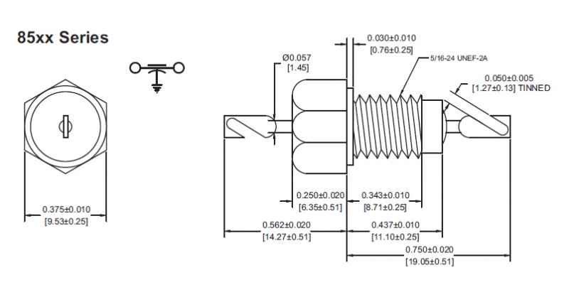
8510
Feed-Thru Capacitors
Specifications
Capacitance (pf)
3300
Working Voltage
100
Rated A
10
Capacitance (uf)
0.010 ~ 5.000
Features
- Hermetically-sealed QLP-style filters in L-section configuration
- Suited for 400 Hz AC applications
- EMP Suppression options (upon request)
- “Q” Level quality screening (option Q)
- Thermal Shock Tested (MIL-STD-202, Method 107D, Condition A)
| Variant | Working Voltage | Rated A | Capacitance (pf) |
|---|---|---|---|
| 8510-0010 | 100 | 10 | 10 |
| 8510-0027 | 100 | 10 | 27 |
| 8510-0050 | 100 | 10 | 50 |
| 8510-0100 | 100 | 10 | 100 |
| 8510-1000 | 100 | 10 | 1000 |
| 8510-5000 | 100 | 10 | 5000 |